Пульт без батареек от энергии тряски - «Своими Руками»
![]() |
С нами вы научитесь делать все сами: Процесс познания – это наше естественное состояние. И для начала нам нужно признать, что вы можете сделать все сами, не обязательно сразу бежать в магазин или торговый центр за новой вещью, если её можно сделать самим. ... |
Переходим от «вечных» фонариков к «вечным» пультам. Оказывается, соорудить небольшой генератор, работающий от энергии тряски, и установить его в дистанционный пульт управления не так уж и сложно.
Это самоделка скорее эксперимент, а не чудесное новое открытие. Возможно, кто-то подчеркнет для себя новые идеи.
В итоге суть такова: изготавливаем микро генератор, устанавливаем в телевизионный пульт.
Изготовление генератора для пульта ДУ
Для начала понадобится 3-4 круглых неодимовых магнита. Пластиковая трубка по размеру. Эмалированная проволока, диаметром 0,1-0,2 мм.
Наматываем катушку. Для этого хорошо подойдет электрическая отвертка: надеваем трубку на патрон отвертки, производим намотку проволоки.
Чтобы в начале провод держался на каркасе - используем отрезок двустороннего скотча.
Наматываем примерно 1500 витков. Катушку фиксируем скотчем.
Для проверки к выводам катушки подключим светодиод. Вставим магниты и потрясем. Светодиод мигает, значит все в порядке.
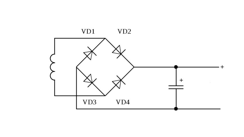
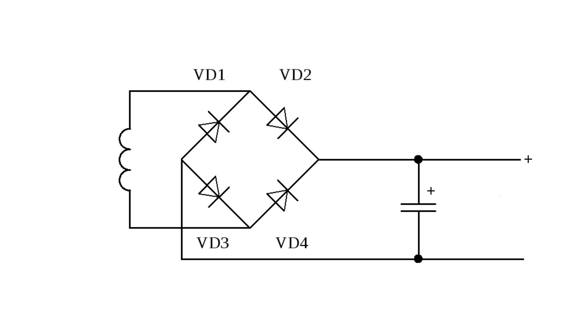
Теперь необходимо собрать выпрямитель с ионистором. Понадобится: диоды любые SMD, ионистор (он же суперконденсатор) на 5,5 В 0,22 Ф. Схема классическая, за исключением наличия суперконденсатора.
Готовая схема выглядит так.
Детали, для надежности, можно приклеить к твердому картону, а далее к катушке.
Можно предварительно проверить схему, установить магниты и потрясти. Если подключить все к светодиоду - он должен светиться. Теперь уже постоянно.
Пришло время устанавливать все в пульт. Закрываем концы трубки картоном, фиксируем скотчем. Устанавливаем наш генератор в корпус пульта ДУ.
Припаиваем провода согласно полярности.
Все готово.
Проверка работы. Трясем пульт примерно минуту.
Пробуем управлять телевизором - все работает.
Вот мы получили почти вечный пульт управления.
В итоге: чтобы с нуля зарядить нужно трясти пульт порядка 1-2 минут. Этой энергии хватает примерно на 2-3 дня использования. В дальнейшем, так как ионисторы разряжаются не полностью, для быстрого возобновления работы достаточно потрясти порядка 10-20 секунд.
Всего доброго!
Похожие статьи
Комментарии
«Консервация своими руками»
Как поднять емкость, найти утечки тока...
Сегодня поговорим об аккумуляторах. Рано или поздно любой аккумулятор нуждается в обслуживании. У меня их было около...
3 настройки увеличат время работы смартфона от..
Приветствием всех читателей! Сегодня подготовили для вас полезный материал. Отключите 3 Google-сервиса, которыми вы,...












