Как использовать TP4056 вместо BMS - «Своими Руками»
![]() |
С нами вы научитесь делать все сами: Процесс познания – это наше естественное состояние. И для начала нам нужно признать, что вы можете сделать все сами, не обязательно сразу бежать в магазин или торговый центр за новой вещью, если её можно сделать самим. ... |
Модуль для зарядки литий-ионных батарей TP4056 очень и очень популярный. И пример использования его в качестве универсальной платы BMS, сделает его еще более востребованным и нужным. Причем, у такой замены есть очевидные полюсы, о которых чуть позже.
Схема включения TP4056 вместо BMS
Из схемы видно, что для каждой банки АКБ нужна своя плата TP4056.
По сути, обычная схема с последовательным включением, за исключением контактов переключения при зарядке.
Иными словами, во время использования все АКБ включены последовательно, через модуль TP4056. Как только подключается зарядка, реле срабатывает и разъединяет последовательность включения АКБ и соединяет все входа модулей воедино для питания.
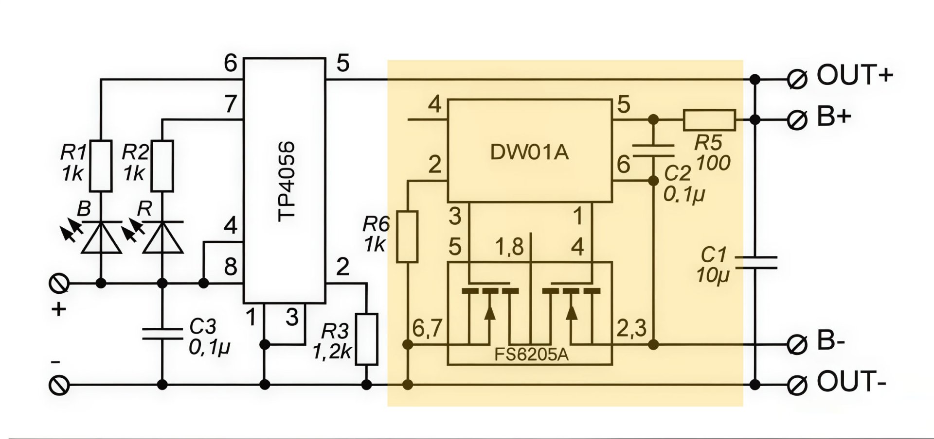
Важно: модуль должен иметь в своем составе - микросхему DW01 и мосфет 8205A. Потому что есть варианты без них.
Схема полноценного модуля TP4056 с DW01.
Если еще проще, на плате должно быть 3 черных квадратика: микросхемы TP4056 и DW01 и мосфет FS8205A.
Вот и все. Схема гибкая, можно использовать от 1 и более элементов. Переключение можно производить не при помощи реле, а вручную - тумблером.
Преимущества и недостатки
Преимущества:
- Использование любого количества элементов (в разумных пределах конечно). Можно собрать батарею с нужным напряжением, с разным количеством элементов. То что нужно для самодельных проектов.
- Идеальная балансировка. Так как каждый элемент заряжается индивидуально, перекоса напряжений между АКБ быть не может. Во время разряда все как у BMS - выключение идет по первому элементу достигшего низкого разряда.
- Регулировка тока. Модуль TP4056 сам регулирует ток заряда, как его изменить читайте - Как с помощью модуля TP4056 заряжать аккумуляторы разной емкости. Это дает возможность использовать другие литиевые АКБ, кроме 18650.
Недостатки:
- Сложность с переключением, в отличии от BMS, которую можно просто взять и установить.
- Потребуется мощный блок питания на 5 В, способный «тянуть» все ячейки.
- Не подойдет для сильноточных цепей.
Преимущества, сугубо на мой взгляд, существенно перекрывают недостатки. Ну опять же, все подходит под конкретный случай.
Похожие статьи
Комментарии
«Консервация своими руками»
Как поднять емкость, найти утечки тока...
Сегодня поговорим об аккумуляторах. Рано или поздно любой аккумулятор нуждается в обслуживании. У меня их было около...
3 настройки увеличат время работы смартфона от..
Приветствием всех читателей! Сегодня подготовили для вас полезный материал. Отключите 3 Google-сервиса, которыми вы,...


